当前位置:首页 > 工作动态

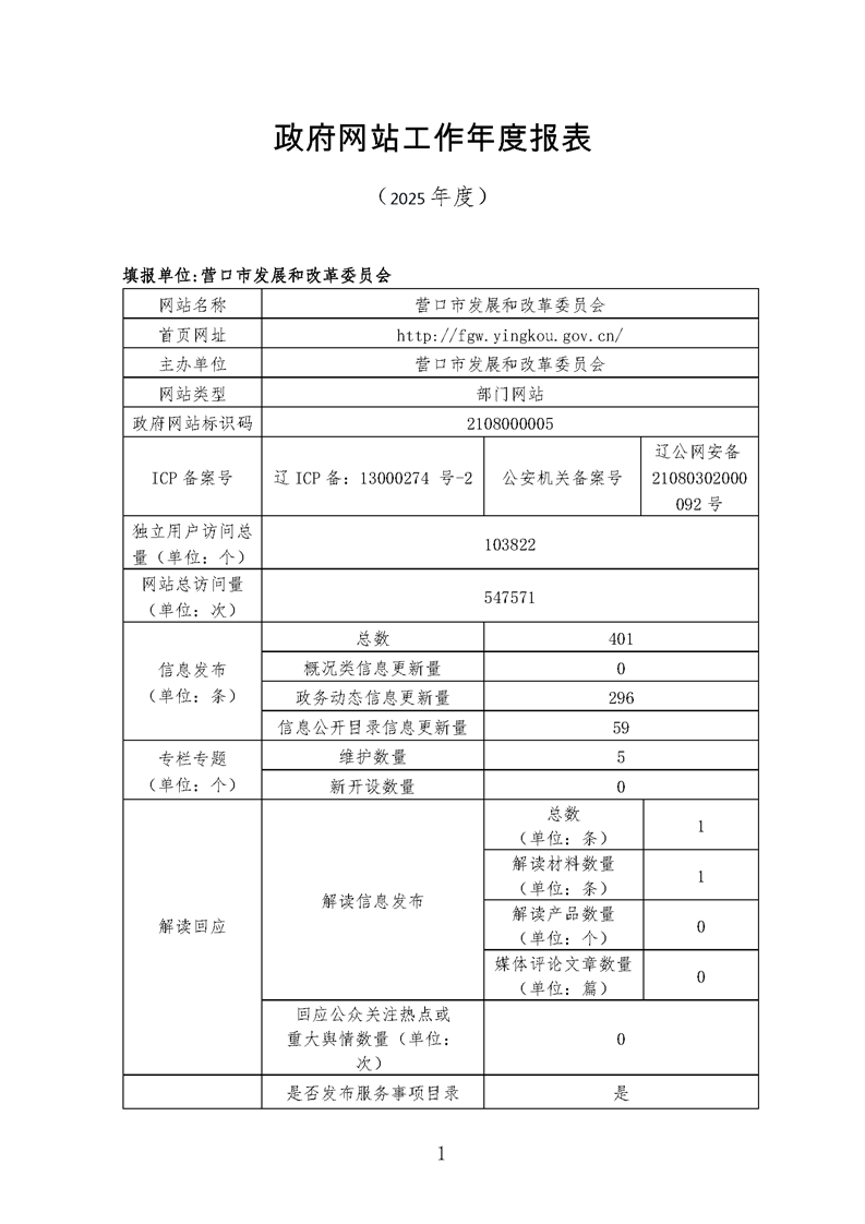
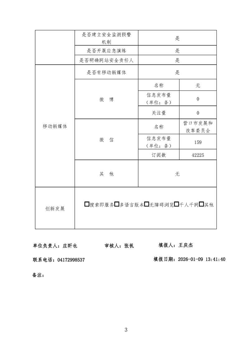
营口市发展和改革委员会政府网站工作年度报表(2025年度)

来源:营口市发改委

作者:

发布时间:2026-01-09

【字号:

分享:




  • 附件:
  • 视频:
扫一扫在手机打开当前页